Product
Overhead Sliding Door Track Roll Forming Machine
Precision-Engineered for Smooth Operation: The Overhead Sliding Door Track Roll Forming Machine
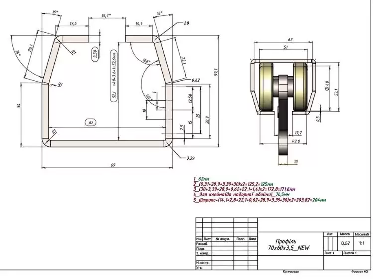
In modern residential, commercial, and industrial architecture, overhead sliding doors have become an increasingly popular choice for their space-saving design and smooth functionality. At the heart of every reliable sliding door system lies the track—a component that must be manufactured with exceptional precision, straightness, and dimensional accuracy to ensure effortless door movement and long-term durability. Our Overhead Sliding Door Track Roll Forming Machine is specifically engineered to meet this critical demand. This high-performance, automated production line delivers consistently accurate, burr-free tracks ready for installation, providing manufacturers with a reliable solution for producing premium door hardware components.



More parameters
| Product Name | Heavy-Duty Overhead Sliding Door Track Roll Forming Machine Production Line |
| Transmission Method | Gearbox transmission, cast iron gantry, 50 mm thick. |
| Decoiler |
Hydraulic core expansion, hydraulic hold-down arm, motorized unwinding function; load capacity: 3 tons; unwinding inner diameter: 480–520 mm; maximum unwinding outer diameter: 1600 mm.
|
| Motor Power |
Two 18.5 kW K97 series hardened-tooth gear reducers; one 5.5 kW motor for the pressing and cutting pump station. |
| Produce speed | 8-15 m/min |
| Shaft material | 45# Steel |
| Rolling materials | Cr12 Mold Steel: Vacuum Quenching Treatment — Hardness HRC 58–62 |
| Screen Language | Chinese, English, Russian(Customizable) |
| Roller diameter | Φ90 mm |
| Voltage | 380v 50hz 3p be customized |
| Feeding thickness | 4.0(±0.03) mm |
| Rows | 20 |
Main Components of the Overhead Sliding Door Track Roll Forming Machine
Decoiler: Hydraulic Core Expansion, Hydraulic Hold-down Arm, Motorized Uncoiling Function; Load Capacity: 3 tons; Uncoiling Inner Diameter: 480–520 mm; Maximum Uncoiling Outer Diameter: 1600 mm; Features: Elevated Base and Hold-down Arm.

Feeding table: 1. 5-Rolls; 2. Leveling Shaft Diameter: 70 mm; 3. Material: 40Cr (High-Frequency Quenched)

Roll forming Part: 20 Forming Stations; Roll Material: Cr12 Mold Steel (Vacuum Quenched), Hardness: HRC 58–62.

Motors: Two 18.5 kW K97 Series Hard-Tooth Gear Reducers

Cut-off Pump Station Motor: 5.5 kW

Cutting Blade: Servo Shearing, Saw Cut

Electrical Control Box

Key Advantages and Distinctive Features
Exceptional Precision and Straightness: The track’s geometry is critical to door operation. Our Overhead Sliding Door Track Roll Forming Machine utilizes precision-ground roller dies and rigid frame construction to ensure unmatched straightness, consistent profile dimensions, and a smooth internal surface—all essential for quiet, friction-free door movement.
High Efficiency with Servo-Controlled Cutting: The integrated servo saw cutting system provides fast, accurate, and burr-free cuts. This eliminates secondary deburring operations, reduces material waste, and ensures each track section meets exact length specifications with exceptional repeatability.
Complete Customization Flexibility: We understand that door systems vary across applications. Therefore, this Overhead Sliding Door Track Roll Forming Machine is highly customizable. Key parameters—including profile shape, material entry width, roll forming thickness, and operating voltage—can be precisely tailored to your product specifications and factory requirements.
Robust Construction for Continuous Operation: Designed for industrial environments, this machine features a heavy-duty frame, reliable drive systems, and durable tooling that withstands continuous production demands, ensuring long service life and minimal maintenance.
Comprehensive Technical Support: To maximize uptime and protect your investment, we provide extensive remote support. Our engineering team offers real-time video guidance for troubleshooting, preventive maintenance, and operational optimization, ensuring your Overhead Sliding Door Track Roll Forming Machine maintains peak productivity.
Application and Market Potential
This production line is ideal for manufacturers serving the architectural hardware, residential door systems, and commercial sliding door markets. The high-quality tracks produced enable smooth, reliable door operation, contributing to the overall performance and longevity of overhead sliding door systems.
Application Scenarios


Our photos with our customers

About us
HOPEX (Wuxi) Intelligent Technology Co., Ltd.: Pioneering Roll Forming Innovation Since 1996
Founded in 1996 with a dedicated R&D team for roll forming technology, HOPEX has evolved into a global force in intelligent manufacturing. Established in Wuxi in 2003, we launched our core product lines—semi-automatic purlin machines, cable tray machines, and guardrail machines—laying the foundation for our commitment to 100% customized solutions.In 2016, we doubled our team and expanded our offerings to include solar strut machines and heavy-duty leveling/slitting lines, while strengthening R&D for our flagship products. By 2022, HOPEX achieved 100% sales growth and revolutionized production through full automation, upgrading all equipment to smart manufacturing standards and growing our R&D team to 10+ experts.Today, we export cutting-edge machinery worldwide—serving Russia, Australia, India, the Middle East, Southeast Asia, and beyond—as we fully enter the global market in 2025. Our vision is clear: to be the global leader in roll forming technology, making precision engineering easier and hassle-free for industries everywhere.
FAQ
Q: Are you a trading company or a factory?
A: We are a factory with a professional production team and service consciousness, just for exporting various types of cold roll forming machines.
Q: Can a machine produce only one style of panel profile?
A: Not complete. Suitable for a Overhead Sliding Door Track Roll Forming Machine Line. It can produce more than 3 panels.
Q: How long does it take to manufacture the machine?
A: In general, the Full-automatic Overhead Sliding Door Track Roll Forming Machine Line be completed in 20 to 45 business days. But if you need machines urgently, we can save you time.
Q: Is there quality control when producing the production line?
A: Yes, we have a team that is responsible for quality control, including the laying of raw materials, processing rolls and other parts, processing, assembly, testing, and packaging on the roll surface and shaft.
Q: What can you do if the machine breaks?
A: Our machine is warranted for 24 months. If the damaged part cannot be repaired, we can send a new part to replace the damaged part, but you will need to pay the courier fee yourself. If the warranty period is exceeded, we can resolve the issue through negotiation, and we provide technical support for the entire life cycle of the device.




